Home
Overview
Family Tree
The Men
Hector McDonald
Duncan McDonald
Colin McDonald
Murdoch McDonald
Bruce Macdonald
Hector millar Macdonald
John Macdonald
Ron Macdonald
The Sea
Sailing ships
Archibald Currie Line
British India Steam Navigation Company
Straits Steamship Company
Mosquito fleet
Australian National Line
Dominion Far East Line
Nauru Pacific Shipping Company
The Royal Australian Navy
Gallery
About
Contact
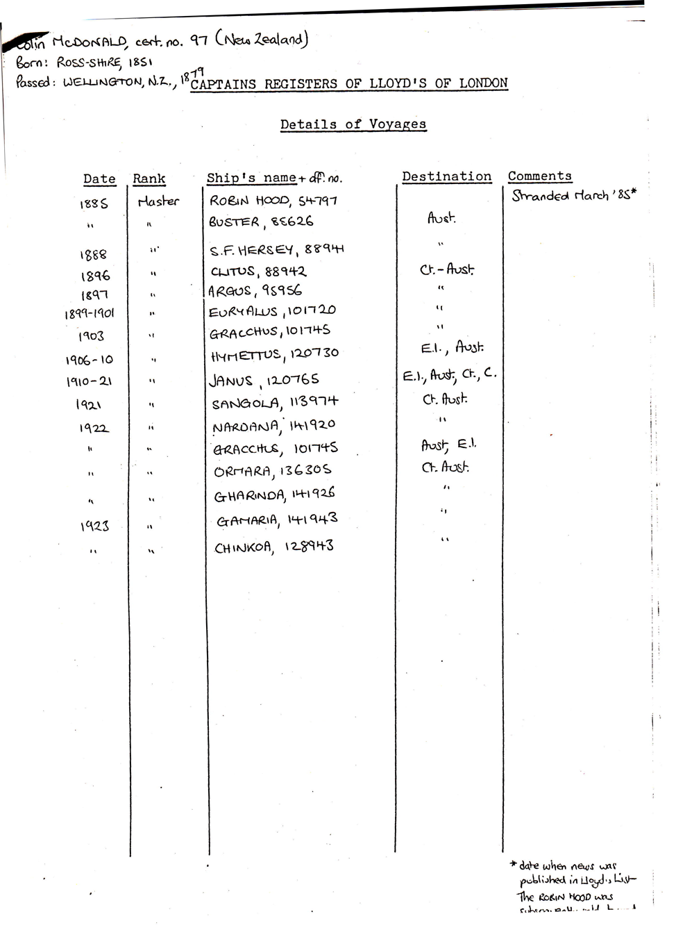
LLOYDS CAPTAINS REGISTER- CAPT COLIN MCDONALD
ALL RIGHTS RESERVED - All material used on this site is copyright - No photographs or other material may be used without the express written permission of the web master - 2014